Jetson AGX Orin Platform Adaptation and Bring-Up#

This guide describes how to port the Jetson Linux Driver Package (L4T) from the Jetson AGX Orin Developer Kit to another hardware platform. The examples described include code for the Jetson AGX Orin Developer Kit (P3730). Refer to T234 BCT Deployment Guide for information about customizing the configuration files.

Board Configuration#

The Jetson AGX Orin Developer Kit consists of a P3701 System on Module (SOM) that is connected to a P3737 carrier board. Part number P3730 designates the complete Jetson AGX Orin Developer Kit. The SOM and carrier board each have an EEPROM where the board ID is saved. The SOM can be used without any software configuration modifications.

The SOM that is sold to be incorporated with customer products has a Thermal Transfer Plate (TTP) that is ready to accept a customer-provided thermal solution. The module that is shipped as part of the Developer Kit does not have TTP, but it has a thermal solution that is designed for the Developer Kit. This thermal solution must not be removed from the module.

Before you use the SOM with a carrier board other than P3737, change the kernel device tree, the MB1 configuration, the MB2 Configurations, the ODM data, and the flashing configuration to include configuration for the new carrier board instead of for P3737. The next section provides more information about the changes.

Board Naming#

To support a Jetson AGX Orin module with your carrier board, you must assign the module/carrier board combination with a lowercase alphanumeric name. The name can include hyphens (-) and underscores (_) but not spaces. Some examples of valid names are:

  • p3730-0000-devkit

  • devboard

The name you select appears in:

  • Filenames and pathnames

  • User-visible device tree filenames

This name is also exposed to the user through various Linux kernel proc files.

Note

In this section, <board> represents your board name.

You must also select a similarly constructed vendor name, and the same character set rules apply. Here is an example:

nvidia

In this section, <vendor> represents your vendor name.

Note

Do not reuse and modify the existing NVIDIA Jetson AGX Orin Developer Kit code without first selecting and using your own board name. If you do not use your own board name, it will not be obvious to Jetson AGX Orin users whether the modified source code supports the original Jetson AGX Orin Developer Kit board or your board.

Placeholders in the Porting Instructions#

Placeholders are used in this topic, and you can substitute an appropriate value for each placeholder when executing commands.

  • <function> is a functional module name, which might be power-tree, pinmux, sdmmc-drv, keys, comm (Wi-Fi/Bluetooth®), camera, and so on.

  • <board> is a name you have selected to represent your platform.

    For example, P3730 is the name of the Jetson AGX Orin Developer Kit. NVIDIA <board> names use lower case letters.

  • <version> is a board version number, such as a00.

    Files for NVIDIA reference boards include a version number, and files for customer platforms are not required to include a version number.

  • <vendor> is the name of your organization or the name of the vendor for your board.

  • <root> is the device that holds the root file system for the platform.

    The supported value is emmc.

Camera Connector Pin Differences#

The following table provides information about the camera connector pin differences between the Jetson AGX Orin module and the earlier Jetson AGX Xavier modules.

Pin

AGX Xavier

AGX Orin

Notes

1

CSI0

CSI0

Equivalent

2

CSI1

CSI1

Equivalent

3

CSI0

CSI0

Equivalent

4

CSI1

CSI1

Equivalent

5

GND

GND

Equivalent

6

GND

GND

Equivalent

7

CSI0

CSI0

Equivalent

8

CSI1

CSI1

Equivalent

9

CSI0

CSI0

Equivalent

10

CSI1

CSI1

Equivalent

11

GND

GND

Equivalent

12

GND

GND

Equivalent

13

CSI0

CSI0

Equivalent

14

CSI1

CSI1

Equivalent

15

CSI0

CSI0

Equivalent

16

CSI1

CSI1

Equivalent

17

GND

GND

Equivalent

18

GND

GND

Equivalent

19

CSI2

CSI2

Equivalent

20

CSI3

CSI3

Equivalent

21

CSI2

CSI2

Equivalent

22

CSI3

CSI3

Equivalent

23

GND

GND

Equivalent

24

GND

GND

Equivalent

25

CSI2

CSI2

Equivalent

26

CSI3

CSI3

Equivalent

27

CSI2

CSI2

Equivalent

28

CSI3

CSI3

Equivalent

29

GND

GND

Equivalent

30

GND

GND

Equivalent

31

CSI2

CSI2

Equivalent

32

CSI3

CSI3

Equivalent

33

CSI2

CSI2

Equivalent

34

CSI3

CSI3

Equivalent

35

GND

GND

Equivalent

36

GND

GND

Equivalent

37

CSI4

CSI4

Equivalent

38

CSI6

CSI6

Equivalent

39

CSI4

CSI4

Equivalent

40

CSI6

CSI6

Equivalent

41

GND

GND

Equivalent

42

GND

GND

Equivalent

43

CSI4

CSI4

Equivalent

44

CSI6

CSI6

Equivalent

45

CSI4

CSI4

Equivalent

46

CSI6

CSI6

Equivalent

47

GND

GND

Equivalent

48

GND

GND

Equivalent

49

CSI4

CSI4

Equivalent

50

CSI6

CSI6

Equivalent

51

CSI4

CSI4

Equivalent

52

CSI6

CSI6

Equivalent

53

GND

GND

Equivalent

54

GND

GND

Equivalent

55

RSVD

RSVD

Equivalent

56

RSVD

RSVD

Equivalent

57

RSVD

RSVD

Equivalent

58

RSVD

RSVD

Equivalent

59

CSI5

CSI5

Equivalent

60

CSI7

CSI7

Equivalent

61

CSI5

CSI5

Equivalent

62

CSI7

CSI7

Equivalent

63

GND

GND

Equivalent

64

GND

GND

Equivalent

65

CSI5

CSI5

Equivalent

66

CSI7

CSI7

Equivalent

67

CSI5

CSI5

Equivalent

68

CSI7

CSI7

Equivalent

69

GND

GND

Equivalent

70

GND

GND

Equivalent

71

CSI5

CSI5

Equivalent

72

CSI7

CSI7

Equivalent

73

CSI5

CSI5

Equivalent

74

CSI7

CSI7

Equivalent

75

I2C_GP3 (CAM_I2C)

I2C_GP3 (CAM_I2C)

Equivalent

76

NC

CAM_ERROR1

Camera error line

77

I2C_GP3 (CAM_I2C)

I2C_GP3 (CAM_I2C)

Equivalent

78

NC

CAM_ERROR2

Camera error line

79

GND

GND

Equivalent

80

GND

GND

Equivalent

81

2.8V (AVDD_CAM)

2.8V (AVDD_CAM)

Equivalent

82

2.8V (AVDD_CAM)

2.8V (AVDD_CAM)

Equivalent

83

2.8V (AVDD_CAM)

2.8V (AVDD_CAM)

Equivalent

84

NC

CAM_ERROR3

Camera error line

85

NC

CAM_FRSYNC1

Camera Frame Sync

86

NC

CAM_ERROR4

Camera Frame Sync

87

I2C_GP2

I2C_GP2

Equivalent

88

CAM1_MCLK03

CAM1_MCLK03

Equivalent

89

I2C_GP2

I2C_GP2

Equivalent

90

GPIO15_CAM1_PWDN

GPIO15_CAM1_PWDN

Equivalent

91

CAM0_MCLK02

CAM0_MCLK02

Equivalent

92

GPIO16_CAM1_RST

GPIO16_CAM1_RST

Equivalent

93

CAM0_PWDN

CAM0_PWDN

Equivalent

94

CAM2_MCLK04

CAM2_MCLK04

Equivalent

95

CAM0_RST

CAM0_RST

Equivalent

96

NC

CAM_FRSYNC4

Camera Frame Sync

97

NC

CAM_FRSYNC3

Camera Frame Sync

98

NC

CAM_FRSYNC2

Camera Frame Sync

99

GND

GND

Equivalent

100

GND

GND

Equivalent

101

RSVD

CAM_TE_RSV

102

1.8V (VDD_1V8)

1.8V (VDD_1V8)

Equivalent

103

NC

CAM_INT3

Camera Interrupt

104

NC

CAM_INT4

Camera Interrupt

105

I2C_GP4

I2C_GP9

106

NC

CAM_INT2

Camera Interrupt

107

I2C_GP4

I2C_GP9

108

3.3V (VDD_3V3)

3.3V (VDD_3V3)

Equivalent

109

NC

CAM_BACKLIGHT_PWM

Backlight PWM signal

This is a reserved function that requires rework to enable. By default, this PWM has been routed to the 40-pin connector.

110

3.3V (VDD_3V3)

3.3V (VDD_3V3)

Equivalent

111

NC

CAM_SPI

CAM_SPI is a reserved function that requires rework to enable. This SPI has been routed to the 40-pin connector.

112

NC

CAM_SPI

CAM_SPI is a reserved function that requires rework to enable. This SPI has been routed to the 40-pin connector.

113

NC

CAM_SPI

CAM_SPI is a reserved function that requires rework to enable. This SPI has been routed to the 40-pin connector.

114

NC

CAM_SPI

CAM_SPI is a reserved function that requires rework to enable. This SPI has been routed to the 40-pin connector.

115

GND

GND

Equivalent

116

GND

GND

Equivalent

117

NC

CAM_INT1

Camera Interrupt

118

3.3V (VDD_3V3)

3.3V (VDD_3V3)

Xavier and Orin define this as 3.3V. Older platforms, such as T186, use 5V.

119

GPIO25_VDD_SYS_EN

GPIO12_VDD_SYS_EN

Xavier and Orin have different pin mapping to the CVM.

120

3.3V (VDD_3V3)

3.3V (VDD_3V3)

Xavier and Orin define it as 3.3V. Older platforms, such as T186, use 5V.

Root Filesystem Configuration#

L4T can use any standard or customized Linux root filesystem (rootfs) that is appropriate for their targeted embedded applications.

However, certain settings must be configured in the rootfs’s boot-up framework to set default configuration after the boot or some of the core functionalities will not run as expected.

For example:

  • The nv.sh and nvfb.sh boot-up scripts do some platform-specific configuration in the kernel.

  • The Xorg and X libraries must be correctly configured for the target device.

  • The nvpmodel clock and frequency must be configured for the target device.

These rootfs configurations and customizations are provided in this driver package in the Linux_for_Tegra/nv_tegra/ directory and its subdirectories: You must incorporate the relevant customization for your target rootfs from this location.

Note

For the sample Ubuntu root filesystem provided by NVIDIA, this customization is applied using the Linux_for_Tegra/apply_binaries.sh script.

MB1 Configuration Changes#

From version t234 onwards, multiple .dts/dtsi files define boot time configuration of the hardware, these files are applied by Bootloader. The MB1 boot configuration tables are available at <l4t_top>/bootloader/generic/BCT.

For more details about the BCT, refer to T23x Boot Configuration Table for more information about configuring BCT.

Pinmux Changes#

If your board schematic differs from the schematic for the Jetson AGX Orin Developer Kit board, you must change the pinmux configuration applied by the software. To define your board’s pinmux configuration, download the Jetson AGX Orin pinmux table. Ensure that you download the correct version of the table for your SOM.

The table is a spreadsheet and provides the following information:

  • Shows the locations and default pinmux settings.

  • Defines the pinmux settings in the source code or device tree

To access the spreadsheet:

  1. Go to the Jetson Download Center.

  2. Search for Orin Series Pinmux and download the associated spreadsheet.

    Before you open the spreadsheet, ensure that macros are enabled.

  3. Ensure the Pin Direction column is consistent with the selected peripheral function.

    For example, I2C pins (clock and data) are both bidirectional signals. The Req Initial State should be consistent with the direction. For example, the Drive 1 and Drive 0 options are applicable only to output and bidirectional modes. The 3.3V Tolerance option is only available for certain pins. Enabling this option will cause that pin to function as open-drain.

  4. Customize the spreadsheet for the configuration of your board and click Generate DT File to generate the following files:

  • pinmux.dtsi

  • gpio.dtsi

  • padvoltage.dtsi

Note

Copy the pinmux.dtsi file to the <l4t_top>/bootloader/generic/BCT/ directory, and copy the gpio.dtsi file to the <l4t_top>/bootloader/ directory.

You do not need to copy the padvoltage.dtsi file.

After copying the files, ensure that you point these files to the new board.conf file that you created for your board. Refer to Flashing the Build Image for more information.

Identifying the GPIO Number#

If you designed your own carrier board, to translate from SOM connector pins to actual GPIO numbers, you must understand the following GPIO mapping formula. The translated GPIO numbers can be controlled by the driver.

Because the Jetson module dynamically registers GPIOs, search the kernel messages to check the GPIO allocation ranges for each GPIO group. The command and resulting output are similar to the following:

root@jetson:/home/ubuntu# **dmesg** | **grep gpiochip**
[    5.726492] gpiochip0: registered GPIOs 348 to 511 on **tegra234-gpio**
[    5.732478] gpiochip1: registered GPIOs 316 to 347 on **tegra234-gpio-aon**
root@jetson:/home/ubuntu#

As shown in the output above, there are two Jetson GPIO ports with different base indices:

  • tegra234-gpio, at base index 348

  • tegra234-gpio-aon, at base index 316

You can check the GPIO number in one of the following ways:

  • Using a calculation.

    1. Before you get started, you need to know how you plan to configure the offset at each available port.

      Here is the list of the tegra234 GPIO ports and offset mapping:

      Port

      Number of Pins

      Port Offset

      PORT_A

      8

      0

      PORT_B

      1

      8

      PORT_C

      8

      9

      PORT_D

      4

      17

      PORT_E

      8

      21

      PORT_F

      6

      29

      PORT_G

      8

      35

      PORT_H

      8

      43

      PORT_I

      7

      51

      PORT_J

      6

      58

      PORT_K

      8

      64

      PORT_L

      4

      72

      PORT_M

      8

      76

      PORT_N

      8

      84

      PORT_P

      8

      92

      PORT_Q

      8

      100

      PORT_R

      6

      108

      PORT_X

      8

      114

      PORT_Y

      8

      122

      PORT_Z

      8

      130

      PORT_AC

      8

      138

      PORT_AD

      4

      146

      PORT_AE

      2

      150

      PORT_AF

      4

      152

      PORT_AG

      8

      156

      PORT_AA

      8

      0

      PORT_BB

      4

      8

      PORT_CC

      8

      12

      PORT_DD

      3

      20

      PORT_EE

      8

      23

      PORT_GG

      1

      31

    2. Search for the pin details from the Orin pinmux table (see Pinmux Changes).

      For example SOC_GPIO08, which is GPIO3_PB.00.

    3. Identify the port as B and the Pin_offset as 0.

    4. Calculate the pin number with the following formula:

      base + port_offset + pin_offset

    5. Verify the following values:

      • The base is 348.

        This value comes from the kernel boot log, it is already noted tegra234-gpio, at base index 348.

      • port_offset of port B = 8

        This value comes from the tegra234 GPIO port and the offset mapping above.

      • pin_offset = 0

      • Pin number = 348 + 8 + 0 = 356

  • Using Kernel debugfs.

    1. Search for the gpio pin in the Jetson AGX Orin pinmux table (see Pinmux Changes).

      For example, SOC_GPIO08, which is GPIO3_PB.00.

    2. Follow the gpio debugfs look up that use the port and offset.

      cat /sys/kernel/debug/gpio | grep PB.00

    3. The gpio number is mentioned in the first col as gpio-356.

      root@jetson:/home/ubuntu# cat /sys/kernel/debug/gpio | grep PB.00 gpio-356 (PB.00)

Note

To use a pin as GPIO, ensure that E_IO_HV field is disabled in corresponding pinmux register of the GPIO pin. You can disable the 3.3V Tolerance Enable field in the pinmux spreadsheet.

Also, make sure Pin Direction to Bidirectional so that userspace framework can operate GPIO in both input and output direction. After these configurations, reflash the board with the updated pinmux file.

MB2 Configuration Changes#

This section provides information about the MB2 configuration changes.

Modifying the EEPROM#

EEPROM is an optional component for a customized carrier board. When the carrier board is designed without an EEPROM, in the Linux_for_Tegra/bootloader/tegra234-mb2-bct-common.dtsi (the MB2 BCT file), make the following modification:

- cvb_eeprom_read_size = <0x100>

+ cvb_eeprom_read_size = <0x0>

Changing the Pinmux#

Starting with JetPack 6, you can change the pinmux in the following ways:

  1. Get the pinmux register address.

    1. Find the below chapter from the TRM: System ComponentsMulti-Purpose I/O Pins and Pin Multiplexing (PinMux)Pinmux Registers.

    2. Search for the pin name (for example, SOC_GPIO37).

    3. Write down the complete pin name (for example: PADCTL_G3_SOC_GPIO37_0) and the Offset (for example, SOC_GPIO37: Offset = 0x80).

    4. In the Jetson Orin Technical Reference Manual, in Table 1-15: Pad Control Grouping , find the G3 pad control block = PADCTL_A0 entry.

    5. On the Memory Architecture page, click Memory Mapped I/OAddress Map.

    6. Search for PADCTL_A0.

      • The base address is PADCTL_A0 = 0x02430000, and the pinmux register address is PADCTL base address + offset.

      • For example, SOC_GPIO37 Pinmux register address = 0x02430000 + 0x80 = 0x02430080.

  2. Get current register value in device using devmem tool:

    1. Install devmem.

      $ sudo apt-get install busybox $ busybox devmem <32-bit address>

      For example, devmem 0x02430080.

  3. To use pin as GPIO, update following fields in the PADCTL register:

    Find register information from the Pinmux Registers section in TRM as mentioned above.

    1. Set GPIO: Bit 10 = 0.

    2. For the output, set Bit 4 = 0 ; Bit 6 = 0.

    3. For Input, set Bit 4 = 1 ; Bit 6 = 1.

  4. Use the devmem tool to set the register, for example, busybox devmem 0x02430080 w 0x050.

  5. Check and ensure that the register value is set accordingly.

A Complete Example

Note

Currently, to update pinmux, users cannot use the pinctrl APIs. This is because the upstreamed GPIO driver does not yet support calling the pinctrl APIs to make changes in the pinmux registers.

The following example shows you how to update Pin MCLK05: SOC_GPIO33: PQ6:

  1. The Pinmux register base address = 0x2430000

    • Offset = 0x70

    • Pinmux register address = 0x2430070

  2. Run the following command.

    $ busybox devmem 0x02430070

    The output value is 0x00000054.

  3. To set the pin as the output, run the following command.

    $ busybox devmem 0x02430070 w 0x004

  4. Read back to confirm:

    $ busybox devmem 0x02430070

Starting with JetPack 6, the GPIO sysfs has been deprecated.

To set the direction of the GPIO controller between the input and the output, users can use upstream GPIO tools instead of GPIO sysfs.

Configuring the pinmux Setting of I2C and DP1_AUX#

Use the following configuration in the device tree to configure pinmux between I2C and DP1_AUX, as they cannot be configured using the pinmux spreadsheet.

miscreg-dpaux@00100000 {

        compatible = "nvidia,tegra194-misc-dpaux-padctl";
        reg = <0x0 0x00100000 0x0 0xf000>;
        dpaux_default: pinmux@0 {

                dpaux0_pins {
                        pins = "dpaux-0";
                        function = "i2c";
                };
        };
};

i2c@31b0000 {
        pinctrl-names = "default";
        pinctrl-0 = <&dpaux_default>;
};

Changing GPIO Pins#

If the pin meets the following conditions, users can dynamically change the pin settings by using the GPIO tools:

  • The pin is part of the 40-pin header.

    To confirm whether the pin is one of the 40-pin headers, users can check the Jetson AGX Orin pinmux spreadsheet.

  • The pin is not configured as an SFIO pin by the MB1 BCT.

  • The pin is configured to be bidirectional by the MB1 BCT.

Enabling GPIO as a Wake-Up Source#

If the pin has an ID in the Wake column in the pinmux spreadsheet, a GPIO pin can wake the device from a suspended stage.

After checking the wake ID from spreadsheet, add the pin information to the Linux_for_Tegra/source/kernel/kernel-jammy-src/drivers/soc/tegra/pmc.c file, and to update the kernel, complete the steps in Kernel Customization.

  • For Orin series, add pin information to tegra234_wake_events.

Here is an example:

Power Button (POWER_BTN_N) - GPIO3_PEE.04 - wake29

static const struct tegra_wake_event tegra234_wake_events[] = {
     TEGRA_WAKE_GPIO("power", 29, 1, TEGRA234_AON_GPIO(EE, 4)),
};

Note

The third parameter of TEGRA_WAKE_GPIO is the instance of the GPIO group.

  • For a AON GPIO, it must be 1.

  • For a MAIN GPIO, it must be 0.

Porting the Linux Kernel Device Tree#

Overview of T23x Device Tree Structure#

Refer to Kernel Customization for more information about downloading and building the device tree files.

After you complete the steps from the link above, the device tree files will be in the following location:

Linux_for_Tegra/source/hardware/nvidia/t23x/nv-public

The device tree is structured with the following layers:

  • The bottom layer comes from the upstream Linux kernel.

    This layer keeps the NVIDIA sources aligned with upstream. These files are located in the root of the nv-public folder. For example, see nv-public/tegra234-p3737-0000+p3701-0000.dts.

  • The top layer comes from the nv-platform directory.

    The main dts file for each platform is named to coincide with the upstream dts file. However, instead of <board>.dts, it is <board>-nv.dts. For example, the nv-public/nv-platform/tegra234-p3737-0000+p3701-0000-nv.dts file includes the upstream dts file and also adds content and updates.

There are variations of each dtb file for each supported module SKU. The AGX Orin Developer Kit can be used with P3701 modules SKU 0, 4, 5, 8. Correspondingly these are the top-level dtb files:

  • tegra234-p3737-0000+p3701-0000-nv.dtb

  • tegra234-p3737-0000+p3701-0004-nv.dtb

  • tegra234-p3737-0000+p3701-0005-nv.dtb

  • tegra234-p3737-0000+p3701-0008-nv.dtb

Each of these files has a corresponding dts file in the nv-platform directory.

Updating DTB Files#

After creating or modifying a dtb file, copy the file to the Linux_for_Tegra/kernel/dtb directory where it will get picked up by the flash.sh script as determined by the DTB_FILE variable in the associated flash configuration file.

By default, UEFI is configured for extlinux boot, and it looks for an FDT entry in the /boot/extlinux/extlinux.conf file. If an entry is found, and the file exists, UEFI uses that file from the rootfs when loading the kernel dtb file. If it is not specified or not found, UEFI falls back to using its own dtb file to load the kernel dtb.

Note

To verify whether your changes have taken effect as expected, use fdtdump.

For example, to help you quickly search the output (vim-style search), fdtdump can be used with less.

fdtdump tegra234-p3701-0000+p3737-0005-nv.dtb | less

Device Tree Overlays#

Overlay files that are part of the OVERLAY_DTB_FILE variable in the flash configuration will be flashed into the UEFI partition (A/B-cpu_bootloader). These overlays are applied for both UEFI and kernel. Optionally, the extlinux.conf file can be used to specify additional overlay files using the OVERLAYS keyword, but the overlays specified in extlinux.conf are applied only to the kernel dtb.

Porting the Universal Serial Bus#

The Jetson AGX Orin series can support up to four enhanced SuperSpeed Universal Serial Bus (USB) ports. In some implementations, not all of these ports can be used because of UPHY lane sharing among PCIE, UFS, and XUSB. The Jetson P3737 carrier board is designed and verified for three USB ports. If you designed your own carrier board, verify the UPHY lane mapping and compatibility between P3737 and your custom board by consulting the NVIDIA team.

USB Structure#

An enhanced SuperSpeed USB port has nine pins:

  • VBUS

  • GND

  • D+

  • D−

  • Two differential signal pairs for SuperSpeed data transfer

  • One ground (GND_DRAIN) for drain wire termination and managing EMI, RFI, and signal integrity.

../../_images/UsbStructure.png

The D+/D− signal pins connect to UTMI pads. The SSTX/SSRX signal pins connect to UPHY and are handled by one UPHY lane. UPHY lanes are shared between PCIE, UFS, and XUSB, so the lanes must be assigned according to the custom carrier board’s requirements.

USB SerDes Lane Assignment#

The SerDes lanes for USB SuperSpeed are part of the UPHY block. The Jetson P3737 carrier board is designed and verified for three USB3.2 ports (hsio-uphy-config-0). Refer to UPHY Lane Configuration for more information.

Before you design your custom board, refer to the NVIDIA Jetson AGX Orin Series SOC Technical Reference Manual (TRM) the NVIDIA Jetson AGX Orin Series Product Design Guide (DG), and contact NVIDIA.

Required Device Tree Changes#

This section provides guidance to check schematics and configure USB ports in the device tree. All the examples are based on the design of the Jetson AGX Orin P3737 carrier board.

For a Host-Only Port

This section takes J39, a USB 3.2 type-C connector, as an example of a host-only port.

Review the Schematics

Note

The P3737 carrier board’s schematic file, P3737_A04_Concept_schematics.pdf, is included in Jetson AGX Orin Series Developer Kit Carrier Board Design Files (A04), which is available at https://developer.nvidia.com/jetson-agx-orin-developer-kit-carrier-board-design-files-a04.

  • Check the USB connectors on the P3737 carrier board and find the socket location wired to the P3701 SOM.

    USB2.0 signal pins D+/D- (USB2_1_*) wire out from J39 and lead to C10 (USB1_N) and C11 (USB1_P) on the SOM socket.

    ../../_images/ReviewSchematics.png
  • USB3.2 differential signal pairs (TX* and RX*) wire out from J39 and lead to J23 (UPHY_TX0_N), J22 (UPHY_TX0_P), A23 (UPHY_RX0_N), and A22 (UPHY_RX0_P) on the SOM socket through U137 and U513, the USB type-C alt mode switch.

    ../../_images/Usb32DiffSignalPairs.png

    Through the schematic, for J39:

    • The USB2.0 signal pair is wired to UTMI pad 1 (USB2 port 1).

    • The USB3.2 signal pairs are wired to UPHY lane 0 (USB3.2 port 0 according to UPHY lane mapping).

The xusb_padctl Node

The device tree’s xusb_padctl node follows the conventions of the pinctrl-bindings.txt kernel document. It contains two sets of groups named pads and ports, which describe USB2 and USB3 signals along with parameters and port numbers. The name of each parameter description subnode in pads and ports must be in the form <type>-<port_number>, where <type> is usb2 or usb3 and <port_number> is the associated port number.

The pads Subnode

  • nvidia,function: A string containing the name of the function to mux to the pin or group. Must be “xusb”.

The ports Subnode

  • mode: A string that describes USB port capability. A port for USB2 must have this property.

    It must be one of the following values:

    • host

    • peripheral

    • OTG

  • nvidia,usb2-companion: USB2 port (0/1/2/3) to which the port is mapped.

    A port for USB3 must have this property.

  • nvidia,oc-pin: The overcurrent VBUS pin the port is using.

    The value must be positive or zero.

    Note

    Overcurrent detection and handling for J39 and J40 on the P3737 carrier board are controlled by U513, a Cypress Type-C controller. Therefore, you need not set this property for J39 and J40 USB ports.

  • vbus-supply: VBUS regulator for the corresponding UTMI pad.

    Set to &vdd_5v0_sys for a dummy regulator and set dummy regulators for those ports on the P3737 carrier board.

    Note

    The VBUS regulators for J39 and J40 are controlled by U513, a Cypress Type-C controller.

    Refer to https://git.kernel.org/pub/scm/linux/kernel/git/torvalds/linux.git/tree/Documentation/devicetree/bindings/phy/nvidia,tegra194-xusb-padctl.yaml for more information about xusb_padctl.

Take J39 (USB3.2 type-C connector), for example, and create a pad/port node and property list for J39 based on the device tree structure described above:

xusb_padctl: padctl@3520000 {
  ...
   pads {
         usb2 {
               lanes {
                      ...
                      usb2-1 {
                              nvidia,function = "xusb";
                              status = "okay";
                      };
                      ...
               };
         };
         usb3 {
               lanes {
                      ...
                      usb3-0 {
                              nvidia,function = "xusb";
                              status = "okay";
                      };
                      ...
               };
         };
  };
  ports {
         ...
         usb2-1 {
                 mode = "host";
                 vbus-supply = <&vdd_5v0_sys>;
                 status = "okay";
         };
         ...
         usb3-0 {
                 nvidia,usb2-companion = <1>;
                 status = "okay";
         };
         ...
     };
};

Under the xHCI Node

The Jetson AGX Orin xHCI controller complies to xHCI specifications, which support both USB 2.0 HighSpeed/FullSpeed/LowSpeed and USB 3.2 SuperSpeed protocols.

  • phys: Must contain an entry for each entry in phy-names.

  • phy-names: Must include an entry for each PHY used by the controller.

    The names must be of the form <type>-<port_number>, where <type> is usb2 or usb3.

  • nvidia,xusb-padctl: A pointer to the xusb-padctl node.

Refer to https://git.kernel.org/pub/scm/linux/kernel/git/torvalds/linux.git/tree/Documentation/devicetree/bindings/usb/nvidia,tegra234-xusb.yaml for more information.

Take the J39 USB3.2 type-C connector, for example, and create an xHCI node and property list for J39 based on the device tree structure described above:

usb@3610000 {
    ...
    phys = <&{/bus@0/padctl@3520000/pads/usb2/lanes/usb2-1}>,
            <&{/bus@0/padctl@3520000/pads/usb3/lanes/usb3-0}>;
    phy-names = "usb2-1", "usb3-0";
    nvidia,xusb-padctl = <&xusb_padctl>;
    status = "okay";
    ...
};

For an On-The-GO Port

USB On-The-Go (OTG), often abbreviated USB OTG or just OTG, is a specification that allows USB to act as a host or a device in the same port. A USB OTG port can switch back and forth between the roles of host and device.

This section takes J40 and the USB3.2 type-C connector as an example of an OTG port.

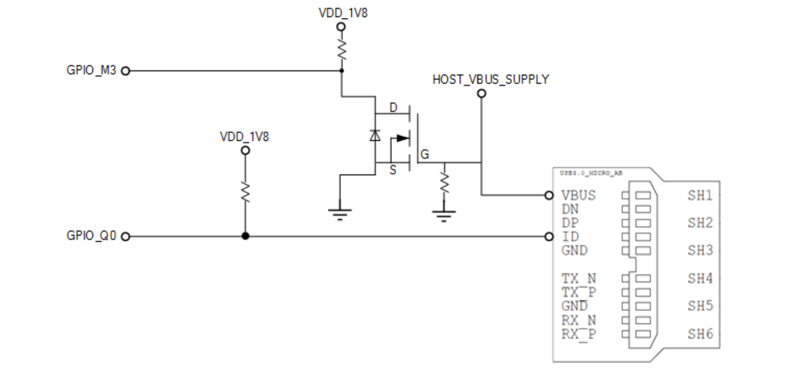
An OTG port adds a fifth pin to the standard USB connector, called the ID pin. An OTG cable has an A-plug on one end and a B-plug on the other end. The A-plug’s ID pin is grounded, while the B-plug’s ID pin is floating. A device with an A-plug inserted becomes an OTG A-device (host), and a device with a B-plug inserted becomes a B-device (device).

../../_images/IdPin.png

Note

The roles of J40, the port switch, between the host driver (xHCI) and device driver (xUDC) are controlled by a U513 Cypress Type-C controller and ucsi_ccg driver in the Jetson AGX Orin Developer Kit.

Review the Schematics

Note

The P3737 carrier board’s schematic file, P3737_A04_Concept_schematics.pdf, is included in Jetson AGX Orin Series Developer Kit Carrier Board Design Files (A04), which is available at https://developer.nvidia.com/jetson-agx-orin-developer-kit-carrier-board-design-files-a04.

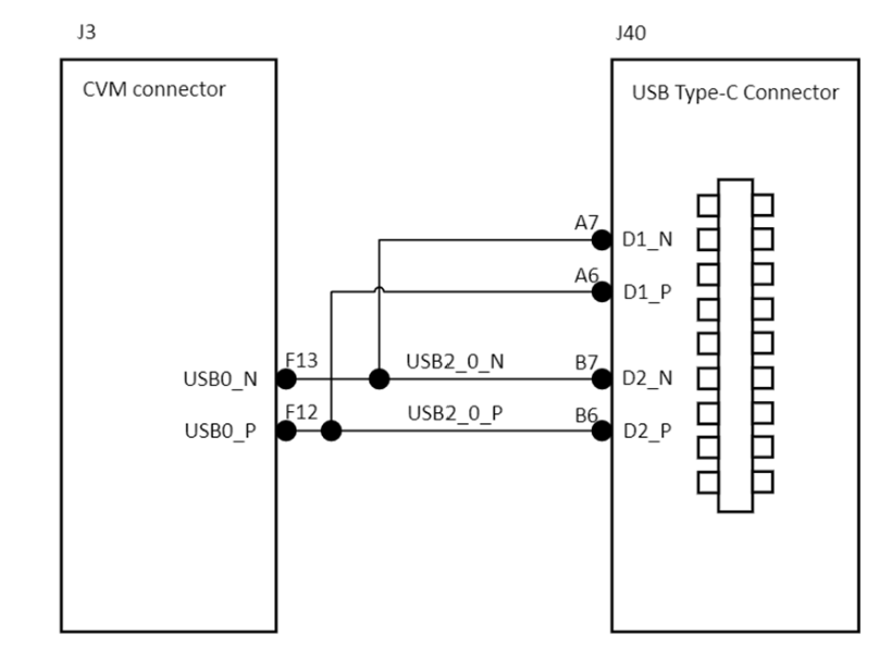
Check the USB connectors on the P3737 carrier board and find the wired socket location to P3701. USB2.0 signal pins D+/D− (USB0_*) wire out from J40 and lead to F12 (USB0_P) and F13 (USB0_N) on the SOM socket.

  • USB2.0 signal pins D+/D− (USB0_*) wire out from J40 and lead to F12 (USB0_P) and F13 (USB0_N) on the SOM socket.

../../_images/ReviewSchematics2.png
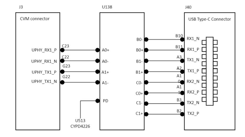
  • USB3.2 differential signal pairs (TX* and RX*) wire out from J40 and lead to G22 (UPHY_RX1_N), G23 (UPHY_RX1_P), C22 (UPHY_TX1_N), and C23 (UPHY_TX1_P) on the SOM socket through U138 and U513, the USB type-C alt mode switch.

../../_images/ReviewSchematics3.png

Through the schematic, for J40:

  • The USB2.0 signal pair is wired to UTMI pad 0 (USB2 port 0).

  • USB3.2 signal pairs are wired to UPHY lane 1 (USB3.2 port 1 according to UPHY lane mapping).

The USB Connector Class

A USB connector class represents a physical USB connector. It should be a child of a USB interface controller or a separate node when it is attached to the MUX and USB interface controllers.

Generally, port switching between the roles of an OTG port is controlled by the host driver (xHCI) and device driver (xUDC), and can be defined by the state of the ID pin and the VBUS_DETECT pin.

Taking GPIO_M3 as the VBUS_DETECT pin and GPIO_Q0 as the ID pin, for example:

  1. Find the corresponding GPIO states on the VBUS_DETECT pin and ID pin.

    Generally, the ID pin is designed as an internal pull high (logical high). With an A-plug connected the ID pin is pulled to ground (logical low), while with a B-plug connected or no cable connected it remains logical high.

    The operation of the VBUS_DETECT pin depends on the device’s design. Consider the schematic in the following diagram, for example:

    ../../_images/UsbConnectorClass.png

    With a B-plug connected, VBUS_DETECT is logical low, because VBUS is provided from an external power supply, and when no cable is connected it is logical high.

    Note

    VBUS_DETECT is initially logical high, and then logical low because VBUS is provided by the host controller. Therefore, the state of the VBUS_DETECT pin does not matter when the OTG port is operating in host mode.

  2. Create the table of GPIO states and their corresponding output cable states:

    GPIO_Q0 (ID)

    GPIO_M3 (VBUS_DETECT)

    Data Role

    1

    1

    Not Connected

    0

    0

    HOST

    0

    1

    HOST

    1

    0

    DEVICE

Under the Connector Node (Not Used on the P3737 Carrier Board)

Port switching between the roles of an OTG port is defined by the state of the ID pin and the VBUS_DETECT pin and the settings of the external connector class.

  • compatible: Value must be gpio-usb-b-connector.

  • label: Symbolic name for the connector

  • type: Size of the connector, should be specified in case of non-full size usb-a-connector or usb-b-connector compatible connectors.

  • id-gpios: An input gpio for USB ID pin.

  • vbus-gpios: An input gpio for the USB VBus pin, used to detect the presence of VBUS 5V.

Refer to https://git.kernel.org/pub/scm/linux/kernel/git/torvalds/linux.git/tree/Documentation/devicetree/bindings/connector/usb-connector.yaml for more information about USBConnectorClass.

Note

OTG port switching between the host driver (xHCI) and device driver (xUDC) roles are controlled by the Cypress Type-C controller. Therefore, this section is not a part of the device-tree for the Jetson AGX Orin Developer Kit.

  • Create an USBConnectorClass device node and property list based on the device tree structure described above and the table of GPIO states and corresponding output cable states for GPIO_Q0 and GPIO_M3:

xusb_padctl: padctl@3520000 {
      ...
      ports {
            usb2-0 {
                  ...
                  connector {
                    compatible = "gpio-usb-b-connector";
                    label = "micro-USB";
                    type = "micro";
                    vbus-gpio = <&gpio
                  TEGRA234_MAIN_GPIO(M, 3) GPIO_ACTIVE_LOW>;
                     id-gpio = <&gpio
                  TEGRA234_MAIN_GPIO(Q, 0) GPIO_ACTIVE_HIGH>;
                   };
                   ...
            };
      };
      ...
};

Note

Check the pinmux table for the GPIO that corresponds to the ID pin and VBUS_DETECT pin.

Under the typec Node#

In the Jetson AGX Orin Developer Kit role switching of port J40 between host driver (xHCI) and device driver (xUDC) modes is controlled by default by U513, a Cypress Type-C controller, and the ucsi_ccg driver.

  • compatible: Value must be cypress,cypd4226.

  • firmware-name: The ccg firmware name.

  • reg: The i2c slave address of the typec port controller device.

  • interrupt-parent: The phandle to the interrupt controller which provides the interrupt.

  • interrupts: The interrupt specification for CCGx’s notification.

  • connector: The usb-c-connector attached to the CCGx chip, the bindings of the connector node are specified in Documentation/devicetree/bindings/connector/usb-connector.yaml.

Refer to the driver source code at kernel/3rdparty/canonical/linux-jammy/kernel-source/drivers/usb/typec/ucsi/ucsi_ccg.c for more information about ucsi_ccg.

Taking J40 USB3.2 type-C connector as an example, create a typec node and property list based on the device tree structure described above for J40.

typec@8 {
    status = "okay";
    compatible = "cypress,cypd4226";
    firmware-name = "nvidia,jetson-agx-xavier";
    reg = <0x08>;
    interrupt-parent = <&gpio>;
    interrupts = <TEGRA234_MAIN_GPIO(Y, 4) IRQ_TYPE_LEVEL_LOW>;
    ccg_typec_con0: connector@0 {
        compatible = "usb-c-connector";
        reg = <0>;
        label = "USB-C";
        data-role = "host";
    };
    ccg_typec_con1: connector@1 {
        compatible = "usb-c-connector";
        reg = <1>;
        label = "USB-C";
        data-role = "dual";
        port {
            #address-cells = <1>;
            #size-cells = <0>;
            port@0 {
                reg = <0>;
                hs_ucsi_ccg_p1: endpoint {
                    remote-endpoint = <&hs_typec_p1>;
                };
            };
            port@1 {
                reg = <1>;
                ss_ucsi_ccg_p1: endpoint {
                    remote-endpoint = <&ss_typec_p1>;
                };
            };
        };
    };
};

Under the xusb_padctl Node

xusb_padctl settings for an OTG port are the same as for a host-only port except that the mode should be otg, the usb-role-switch property is added, and the remote endpoint settings are attached to the CCGx chip, and the bindings of connector node are specified in Documentation/devicetree/bindings/connector/usb-connector.yaml file.

Take J40, the USB3.2 type-C connector as an example, and create a pad/port node and property list:

xusb_padctl: padctl@3520000 {
   ...
   pads {
         usb2 {
               lanes {
                     usb2-0 {
                           nvidia,function = "xusb";
                           status = "okay";
                     };
                     ...
               };
         };
         usb3 {
               lanes {
                      ...
                      usb3-1 {
                            nvidia,function = "xusb";
                            status = "okay";
                     };
                     ...
               };
         };
   };
   ports {
         usb2-0 {
                 mode = "otg";
                 usb-role-switch;
                 vbus-supply = <&vdd_5v0_sys>;
                 status = "okay";
                 port {
                         hs_typec_p1: endpoint {
                                 remote-endpoint = <&hs_ucsi_ccg_p1>;
                         };
                 };
         };
         ...
         usb3-1 {
               nvidia,usb2-companion = <0>;
               status = "okay";
               port {
                       ss_typec_p1: endpoint {
                               remote-endpoint = <&ss_ucsi_ccg_p1>;
                    };
               };
         };
         ...
         };
   };

Under the xHCI Node

The xHCI settings for an OTG port are the same as for a host-only port.

Take J40, the USB3.1 type-C connector as an example, and create an xHCI node and property list based on the device tree structure described in Under the XHCI Node for a host-only port.

usb@3610000 {
    ...
    phys = <&{/bus@0/padctl@3520000/pads/usb2/lanes/usb2-0}>,
            <&{/bus@0/padctl@3520000/pads/usb3/lanes/usb3-1}>;
    phy-names = "usb2-0", "usb3-1";
    nvidia,xusb-padctl = <&xusb_padctl>;
    status = "okay";
    ...
};

Under the xUDC Node

The Jetson AGX Orin xUDC controller supports both USB 2.0 HighSpeed/FullSpeed and USB 3.1 SuperSpeed protocols.

Taking J40, the USB3.1 type-C connector, as an example, create an xUDC node and property list for J40 based on the device tree structure described above.

usb@3550000 {
    phys = <&{/bus@0/padctl@3520000/pads/usb2/lanes/usb2-0}>,
            <&{/bus@0/padctl@3520000/pads/usb3/lanes/usb3-1}>;
    phy-names = "usb2-0", "usb3-1";
    nvidia,xusb-padctl = <&xusb_padctl>;
    status = "okay";
};

Note

Before designing your custom board, verify the lane mapping by consulting the Jetson AGX Orin OEM Product Design Guide.

Removing Type-C Connectors and UCSI CCG Driver from the Device Tree

In some custom carrier boards, Type-C connectors may not be present. In such cases, adjustments to the device tree are necessary to reflect the absence of these components. The following steps outline the process of removing Type-C connectors and the UCSI CCG driver:

  1. Remove the ucsi_ccg Type-C Controller from i2c@c240000.

    If the Cypress CCG Type-C Controller is not required, it should be removed from the corresponding entry in the device tree under i2c@c240000.

  2. Remove the USB Port Endpoint.

    The entry for the usb2-0/port under padctl@3520000/ports should be removed. This is necessary because the associated remote-endpoint is no longer required after the removal of the connector.

  3. Add the role-switch-default-mode property for USB Ports (optional).

    The role-switch-default-mode property is optional and may be used for USB OTG and peripheral ports to explicitly define the default USB role when no Type-C connector is present.

diff --git a/tegra234-p3737-0000+p3701-0000.dts b/tegra234-p3737-0000+p3701-0000.dts
index 90f12277aede..50de3206f4e8 100644
--- a/tegra234-p3737-0000+p3701-0000.dts
+++ b/tegra234-p3737-0000+p3701-0000.dts
@@ -164,23 +164,12 @@
                                        mode = "otg";
                                        usb-role-switch;
                                        status = "okay";
-
-                                       port {
-                                               hs_typec_p1: endpoint {
-                                                       remote-endpoint = <&hs_ucsi_ccg_p1>;
-                                               };
-                                       };
+                                       role-switch-default-mode = "peripheral";
                                };

                                usb2-1 {
                                        mode = "host";
                                        status = "okay";
-
-                                       port {
-                                               hs_typec_p0: endpoint {
-                                                       remote-endpoint = <&hs_ucsi_ccg_p0>;
-                                               };
-                                       };
                                };

                                usb2-2 {
@@ -196,23 +185,11 @@
                                usb3-0 {
                                        nvidia,usb2-companion = <1>;
                                        status = "okay";
-
-                                       port {
-                                               ss_typec_p0: endpoint {
-                                                       remote-endpoint = <&ss_ucsi_ccg_p0>;
-                                               };
-                                       };
                                };

                                usb3-1 {
                                        nvidia,usb2-companion = <0>;
                                        status = "okay";
-
-                                       port {
-                                               ss_typec_p1: endpoint {
-                                                       remote-endpoint = <&ss_ucsi_ccg_p1>;
-                                               };
-                                       };
                                };

                                usb3-2 {
@@ -265,74 +242,6 @@

                i2c@c240000 {
                        status = "okay";
-
-                       typec@8 {
-                               compatible = "cypress,cypd4226";
-                               reg = <0x08>;
-                               interrupt-parent = <&gpio>;
-                               interrupts = <TEGRA234_MAIN_GPIO(Y, 4) IRQ_TYPE_LEVEL_LOW>;
-                               firmware-name = "nvidia,jetson-agx-xavier";
-                               status = "okay";
-
-                               #address-cells = <1>;
-                               #size-cells = <0>;
-
-                               ccg_typec_con0: connector@0 {
-                                       compatible = "usb-c-connector";
-                                       reg = <0>;
-                                       label = "USB-C";
-                                       data-role = "host";
-
-                                       ports {
-                                               #address-cells = <1>;
-                                               #size-cells = <0>;
-
-                                               port@0 {
-                                                       reg = <0>;
-
-                                                       hs_ucsi_ccg_p0: endpoint {
-                                                               remote-endpoint = <&hs_typec_p0>;
-                                                       };
-                                               };
-
-                                               port@1 {
-                                                       reg = <1>;
-
-                                                       ss_ucsi_ccg_p0: endpoint {
-                                                               remote-endpoint = <&ss_typec_p0>;
-                                                       };
-                                               };
-                                       };
-                               };
-
-                               ccg_typec_con1: connector@1 {
-                                       compatible = "usb-c-connector";
-                                       reg = <1>;
-                                       label = "USB-C";
-                                       data-role = "dual";
-
-                                       ports {
-                                               #address-cells = <1>;
-                                               #size-cells = <0>;
-
-                                               port@0 {
-                                                       reg = <0>;
-
-                                                       hs_ucsi_ccg_p1: endpoint {
-                                                               remote-endpoint = <&hs_typec_p1>;
-                                                       };
-                                               };
-
-                                               port@1 {
-                                                       reg = <1>;
-
-                                                       ss_ucsi_ccg_p1: endpoint {
-                                                               remote-endpoint = <&ss_typec_p1>;
-                                                       };
-                                               };
-                                       };
-                               };
-                       };
                };

                pcie@14100000 {

PCIe Controller Configuration#

This section provides information about PCIe controller configurations.

PCIe Controller Features#

Orin SoC has 11 PCIe controllers that are supported by the HSIO, NVHS, and MGBE UPHY bricks. These controllers cannot be enabled at the same time. Refer to UPHY Lane Configuration for a list of the supported PCIe configurations.

Here is a list of the PCIe controllers that are supported by Jetson AGX Orin series and their specifications:

PCIe Controller

Controller mode

Supported link width

Supported link speed

PCIe C0

Root port

x1

Gen4

PCIe C1

Root port

x1

Gen4

PCIe C4

Root port

up to x4

Gen4

PCIe C5

Dual mode

up to x8

Gen4

PCIe C7

Dual mode

up to x8

Gen4

  • Dual mode PCIe controllers: Controllers C5 and C7 support dual mode, and they can be configured as a Root Port or an Endpoint. Mode selection is fixed during flashing and dynamic switching of the mode during runtime is not possible.

  • ASPM: All controllers support ASPM L0s, L1, L1.1 and L1.2.

The Jetson AGX Orin Devkit Default PCIe Configuration#

PCIe Controller

Controller mode

Supported link width

PCIe slot

PCIe C1

Root port

x1

M.2 Key E: Any M.2 Key E form factor cards such as Wi-Fi can be connected.

PCIe C4

Root port

up to x4

M.2 Key M: Any M.2 Key M form factor NVMe cards can be connected.

PCIe C5

Root port or Endpoint

up to x8

PCIe slot: Any PCIe CEM endpoint can be connected. The PCIe slot is a x16 slot, but electrically it operates in x8 mode.

Enable PCIe in a Customer CVB Design#

  1. Select the appropriate UPHY configuration from UPHY Lane Configuration, which suits the CVB design and update ODMDATA accordingly.

  2. Refer to Setting Optional Environmental Variables for more information about how to update ODMDATA..

  3. Configure the PCIe reset (PEX_L*_RST_N) and clkreq(PEX_L*_CLKREQ_N) as follows. To update the pinmux value, refer to Changing the Pinmux.

** Pinmux settings for Root Port mode **

Pinmux

Customer Usage

Pin Direction

3.3V Tolerance Enable

PEX_L*_RST_N

SFIO(PE*_RST_L)

Output

Enable

PEX_L*_CLKREQ_N

SFIO(PE*_CLKREQ_L)

Bidirectional

Enable

** Pinmux settings for Endpoint mode **

Pinmux

Customer Usage

Pin Direction

3.3V Tolerance Enable

PEX_L*_RST_N

GPIO(rsvd1)

Input

Enable

PEX_L*_CLKREQ_N

SFIO(PE*_CLKREQ_L)

Bidirectional

Enable

  1. Enable the appropriate PCIe node listed under topic “Here are the PCIe controller DT nodes:”:

  2. Add the pipe2uphy phandle entries as a phy property in the PCIe controller DT node.

    pipe2uphy DT nodes are defined in SoC DT in the <TOP>/hardware/nvidia/t23x/nv-public/tegra234.dtsi file.

    Each pipe2uphy node is a 1:1 map to the UPHY lanes that are defined in UPHY Lane Configuration.

  3. If the Tegra PCIe is operated in the endpoint mode, add the “reset-gpios” property with the gpio phandle, the gpio number connected to PERST# and flags(GPIO_ACTIVE_LOW).

  4. If there are platform-specific regulators used to power up endpoints, the regulators can be registered as vpcie3v3-supply and/or vpcie12v-supply in PCIe controller device tree node. The Tegra PCIe controller driver enable the regulators before the PCIe LTSSM sequence starts.

  5. For information about Jetson AGX Orin PCIe controller device tree configurations, see the documentation file at:

    The $(KERNEL_TOP)/Documentation/devicetree/bindings/pci/nvidia,tegra194-pcie.txt file covers topics that include configuring maximum link speed, link width, advertisement of different ASPM states, and so on.

Here are the PCIe controller DT nodes:

PCIe Controller and Mode

PCIe Controller DT Node

PCIe C0 RP

pcie@14180000

PCIe C1 RP

pcie@14100000

PCIe C2 RP

pcie@14120000

PCIe C3 RP

pcie@14140000

PCIe C4 RP

pcie@14160000

PCIe C5 RP

pcie@141a0000

PCIe C6 RP

pcie@141c0000

PCIe C7 RP

pcie@141e0000

PCIe C8 RP

pcie@140a0000

PCIe C9 RP

pcie@140c0000

PCIe C10 RP

pcie@140e0000

PCIe C5 EP

pcie_ep@141a0000

PCIe C6 EP

pcie_ep@141c0000

PCIe C7 EP

pcie_ep@141e0000

PCIe C10 EP

pcie_ep@140e0000

Example change: PCIe x1 (C0) and PCIe x8 (C7) in Root Port mode

 diff --git a/tegra234-p3737-0000+p3701-0000.dts b/tegra234-p3737-0000+p3701-0000.dts
 index 575970d..13d9c3a 100644
 --- a/tegra234-p3737-0000+p3701-0000.dts
 +++ b/tegra234-p3737-0000+p3701-0000.dts
 @@ -302,6 +302,22 @@
                     phy-names = "p2u-0", "p2u-1", "p2u-2", "p2u-3", "p2u-4",
                                 "p2u-5", "p2u-6", "p2u-7";
             };
 +
 +               pcie@14180000 {
 +                       status = "okay";
 +                       phys = <&p2u_hsio_0>;
 +                       phy-names = "p2u-0";
 +               };
 +
 +               pcie@141e0000 {
 +                       status = "okay";
 +                       num-lanes = <8>;
 +                       phys = <&p2u_gbe_0>, <&p2u_gbe_1>, <&p2u_gbe_2>,
 +                               <&p2u_gbe_3>, <&p2u_gbe_4>, <&p2u_gbe_5>,
 +                                   <&p2u_gbe_6>, <&p2u_gbe_7>;
 +                       phy-names = "p2u-0", "p2u-1", "p2u-2", "p2u-3",
 +                           "p2u-4", "p2u-5", "p2u-6", "p2u-7";
 +               };
     };

     gpio-keys {

Below is the change to configure clkreq and reset pins in mb1 bct.
--- a//tegra234-mb1-bct-pinmux-p3701-0000-a04.dtsi
+++ b//tegra234-mb1-bct-pinmux-p3701-0000-a04.dtsi
@@ -1486,9 +1486,9 @@

                     pex_l0_clkreq_n_pk0 {
                             nvidia,pins = "pex_l0_clkreq_n_pk0";
 -                           nvidia,function = "rsvd1";
 +                           nvidia,function = "pe0";
                             nvidia,pull = <TEGRA_PIN_PULL_NONE>;
 -                           nvidia,tristate = <TEGRA_PIN_ENABLE>;
 +                           nvidia,tristate = <TEGRA_PIN_DISABLE>;
                             nvidia,enable-input = <TEGRA_PIN_ENABLE>;
                             nvidia,io-high-voltage = <TEGRA_PIN_ENABLE>;
                             nvidia,lpdr = <TEGRA_PIN_DISABLE>;
 @@ -1496,10 +1496,10 @@

                     pex_l0_rst_n_pk1 {
                             nvidia,pins = "pex_l0_rst_n_pk1";
 -                           nvidia,function = "rsvd1";
 +                           nvidia,function = "pe0";
                             nvidia,pull = <TEGRA_PIN_PULL_NONE>;
 -                           nvidia,tristate = <TEGRA_PIN_ENABLE>;
 -                           nvidia,enable-input = <TEGRA_PIN_ENABLE>;
 +                           nvidia,tristate = <TEGRA_PIN_DISABLE>;
 +                           nvidia,enable-input = <TEGRA_PIN_DISABLE>;
                             nvidia,io-high-voltage = <TEGRA_PIN_ENABLE>;
                             nvidia,lpdr = <TEGRA_PIN_DISABLE>;
                     };

@@ -1566,9 +1566,9 @@

                   pex_l7_clkreq_n_pag0 {
                          nvidia,pins = "pex_l7_clkreq_n_pag0";
-                         nvidia,function = "rsvd1";
+                         nvidia,function = "pe7";
                          nvidia,pull = <TEGRA_PIN_PULL_NONE>;
-                         nvidia,tristate = <TEGRA_PIN_ENABLE>;
+                         nvidia,tristate = <TEGRA_PIN_DISABLE>;
                          nvidia,enable-input = <TEGRA_PIN_ENABLE>;
                          nvidia,io-high-voltage = <TEGRA_PIN_ENABLE>;
                          nvidia,lpdr = <TEGRA_PIN_DISABLE>;
@@ -1576,10 +1576,10 @@

               pex_l7_rst_n_pag1 {
                  nvidia,pins = "pex_l7_rst_n_pag1";
-                 nvidia,function = "rsvd1";
+                 nvidia,function = "pe7";
                  nvidia,pull = <TEGRA_PIN_PULL_NONE>;
-                 nvidia,tristate = <TEGRA_PIN_ENABLE>;
-                 nvidia,enable-input = <TEGRA_PIN_ENABLE>;
+                 nvidia,tristate = <TEGRA_PIN_DISABLE>;
+                 nvidia,enable-input = <TEGRA_PIN_DISABLE>;
                  nvidia,io-high-voltage = <TEGRA_PIN_ENABLE>;
                  nvidia,lpdr = <TEGRA_PIN_DISABLE>;
             };
diff --git a/tegra234-mb1-bct-gpio-p3701-0000-a04.dtsi b/tegra234-mb1-bct-gpio-p3701-0000-a04.dtsi
index 86f4bc2..32fdd2e 100644
--- a/bootloader/tegra234-mb1-bct-gpio-p3701-0000-a04.dtsi
+++ b/bootloader/tegra234-mb1-bct-gpio-p3701-0000-a04.dtsi
@@ -60,8 +60,6 @@
                        TEGRA234_MAIN_GPIO(K, 7)
                        TEGRA234_MAIN_GPIO(L, 2)
                        TEGRA234_MAIN_GPIO(L, 3)
-                       TEGRA234_MAIN_GPIO(AG, 0)
-                       TEGRA234_MAIN_GPIO(AG, 1)
                     TEGRA234_MAIN_GPIO(AG, 2)
                     TEGRA234_MAIN_GPIO(AG, 3)
                     TEGRA234_MAIN_GPIO(AG, 6)
--
2.17.1

Enabling the PCIe ASPM#

  1. If the card supports L1-CPM or L1SS add “supports-clkreq” in the respective controller device tree node.

    Enabling this property for an endpoint that does not support L1-CPM or L1SS will cause a PCIe link-up failure.

  2. To enable desired ASPM state, clear the respective bit in the nvidia,disable-aspm-states property .

    “nvidia,disable-aspm-states” value

    ASPM status

    0xf

    All states disabled

    0xe

    ASPM L0s enabled, L1, L1.1 & L1.2 disabled

    0xd

    ASPM L1 enabled, L0s, L1.1 & L1.2 disabled

    0xC

    ASPM L0s & L1 enabled, L1.1 & L1.2 disabled

    0x8

    ASPM L0s, L1 & L1.1 enabled, L1.2 disabled

    0x1

    ASPM L1, L1.1 & L1.2 enabled, L0s disabled

    0x0

    All ASPM states enabled

  3. Confirm the status of the different ASPM states from the “lspci -vvv” output and aspm_state_count in the PCIe RP controller’s debugfs.

Enabling more SPI interrupts for PCIe#

For some use cases that require to get more MSI interrupts, modify the following code and rebuild the kernel image:

diff --git a/kernel-include/dt-bindings/interrupt-controller/tegra-t23x-agic.h b/kernel-include/dt-bindings/interrupt-controller/tegra-t23x-agic.h
index 03ff266..883126c 100644
--- a/kernel-include/dt-bindings/interrupt-controller/tegra-t23x-agic.h
+++ b/kernel-include/dt-bindings/interrupt-controller/tegra-t23x-agic.h
@@ -168,6 +168,6 @@

/* SPIs which are available for PCIe MSI interrupts */
#define GIC_SPI_MSI_BASE               608
-#define GIC_SPI_MSI_SIZE               70
+#define GIC_SPI_MSI_SIZE               352

#endif /* _DT_BINDINGS_INTERRUPT_CONTROLLER_TEGRA_T23X_AGIC_H */

Enabling SRNS for PCIe Endpoint#

Jetson Orin supports Separate Reference Clock with no Spread Spectrum (SRNS) for PCIe RP and EP.

Note

SRNS is supported only for PCIe controllers C5-C10. The spread for controllers C0-C4, which is part of HSIO UPHY brick, cannot be disabled.

To enable SRNS, you must configure the following software:

  1. Add the nvidia,enable-srns device tree property to the RP and EP kernel dts file in the corresponding PCIe controller.

  2. Remove the nvidia,enable-ext-refclk device tree property from the EP kernel dts file in the corresponding PCIe controller.

  3. If the EP side is also a Jetson Orin product, add the following property to the uphy node in the BPMP dtb file on EP. To modify BPMP dtb, use the Device Tree Compiler (dtc) to convert it back from binary to source code.

    • For PCIe C5, add the pcie-c5-endpoint-use-int-refclk; property.

    • For PCIe C7, add the pcie-c7-endpoint-use-int-refclk; property.

    Here is an example:

    uphy {
            status = "okay";
            hsio-uphy-config = <0x00>;
            hsstp-lane-map = <0x03>;
            nvhs-uphy-config = <0x00>;
            gbe-uphy-config = <0x16>;
            gbe0-enable-10g;
     +      pcie-c5-endpoint-use-int-refclk;
     };
    
  4. Disable Spread Spectrum Clocking (SSC).

    • To disable the spread on C5 and C6, add the following clock@pllnvhs patch to BPMP dtb.

    • To disable spread on C7, C8, C9 and C10, add the following clock@pllgbe patch to BPMP dtb.

/ {
    + clocks {
    +     clock@pllnvhs {
    +         clk-id = <0xf3>;
    +         disable-spread = <1>;
    +     };
    +
    +     clock@pllgbe {
    +         clk-id = <0x13f>;
    +         disable-spread = <1>;
    +     };
    + };

Note

SRNS (Separate Reference No Spread) disables SSC (Spread Spectrum Clocking). The deactivation of PCIe SSC significantly increases the challenge of passing EMC tests.

Ethernet Controller Configuration#

The Jetson AGX Orin series can support up to one MGBE(XFI) and one RGMII at same time. In some implementations, not all of these ports can be used because of UPHY lane sharing among PCIE, MGBE, and XUSB. The Jetson P3737 carrier board is designed and verified for one MGBE port. If you designed your own carrier board and wanted to enable RGMII, device tree configuration is required.

For PHY#

Prerequisites

  • For 10 G PHYs make sure the PHY firmware is flashed in XFI 10G mode so that we can have 10G/5G/2.5G/1G/100M connections at PHY line side.

  • Make sure that the PHY comes out of reset and is in a ready state (read the PHY ID by using mdio tool to ensure that the PHY firmware is successfully loaded) when the PHY reset GPIO is toggled.

  • Make sure the PHY driver is available.

Here are the DT entries that are necessary to connect the 10G MAC with the third-party Ethernet PHY:

 /*0:XFI 10G, 1:XFI 5G, 2: USXGMII 10G, 3: USXGMII 5G */
 nvidia,phy-iface-mode = <0>;
 nvidia,phy-reset-gpio - <&tegra_main_gpio TEGRA234_MAIN_GPIO(Y,1) 0>;

 mdio {

       compatible = "nvidia,eqos-mdio";
       #address-cells = <1>;
       #size-cells = <0>;

       mgbe0_agr113c_phy: ethernet_phy@0 {
               compatible = "ethernet-phy-ieee8022.3-c45";
               reg = <0x0>;
               nvidia,phy-rst-pdelay-msec = <150.; /* msec */
               nvidia,phy-rst-duration-usec = <221000>; /* usec */
       };
};
  • nvidia,phy-iface-mode: 0 for XFI 10G mode, 1 for XFI 5G, 2 for USXGMII, 3 for USXGMII 5G.

    • Default configuration is XFI 10G mode.

  • Add nvidia,uphy-gbe-mode = 1 or 0 (1 : 10G, 0 : 5G) based on the phy-iface-mode selection.

    • Default configuration is 10G.

  • reg: Make sure this needs to be the MDIO address. Default MDIO address is 0.

  • nvidia,phy-rst-pdelay-msec: Post delay value once after bringing PHY out of reset in milliseconds.

  • nvidia,phy-rst-duration-usec: Delay between the PHY reset GPIO toggle in microseconds.

For Switch#

Prerequisites

  1. Ensure that the Switch port is configured for XFI 5G or XFI 10G.

  2. Ensure that before Orin boots up, the Switch is powered on an dthat the port is configured.

    /* 1:10G, 0:5G */
    nvidia,uphy-gbe-mode = <1>;
    /* 0:XFI 10G, 1:XFI 5G, 2:USXGMII 10G, 3:USXGMII 5G */
    nvidia,phy-iface-mode = <0>
    nvidia,max-platform-mtu = <16383>;
    
    fixed-link {
            speed = <10000>;
            full-duplex;
    
    };
    

Here are the DT entries that are necessary to connect the 10G MAC with the third-party Ethernet switch:

  • nvidia,uphy-gbe-mode: 1/0 based on the switch port configuration

  • nvidia,phy-iface-mode: 0/1 based on the switch port configuration.

  • Add the fixed-link node with speed 10G/5G based on the switch port configuration.

For RGMII#

Prerequisites

Ensure that PHY comes out of reset mode and is in a ready state when the PHY reset GPIO is toggled.

  • The read PHY ID should use the mdio tool to ensure that PHY is out of the reset mode.

  • Ensure that the PHY driver is available.

  • Ensure that the PIN mux settings are correct in the RGMII interface.

  • Ensure that PHY comes out of reset and supplies the Rx clock to EQOS.

Here are the DT entries that are necessary to connect the 1G MAC to the third-party ethernet PHY:pinmux:

phy-mode = "rgmii-id";
phy-handle = <$phy>;
nvidia,phy-reset-gpio = <$tegra_main_gpio TEGRA234_MAIN_GPIO(G, 5) 0>

mdio {
    compatible = "nvidia,eqos-mdio";
    #address-cells = <1>;
    #size-cells = <0>;

    phy: phy@1 {
        reg = <1>;
        nvidia,phy-rst-pdelay-msec = <224>; /* msec */
        nvidia,phy-rst-duration-usec = <10000>; /* usec */
        interrupt-parent = <$tegra_main_gpio>;
        interrupts = <TEGRA234_MAIN_GPIO(G, 4) IRQ_TYPE_LEVEL_LOW>;

   };
};

Here is some additional information about the DT entries:

  • Ensure that the reg variable is set with the MDIO address.

    The default MDIO address is 1.

  • phy-mode: phy mode (for example, rgmii-id).

  • interrupts: PHY interrupt.

  • nvidia,phy-reset-gpio: PHY reset GPIO

  • nvidia,phy-rst-pdelay-msec: Post delay value after bringing PHY out of reset in milliseconds.

  • nvidia,phy-rst-duration-usec: Delay between the PHY reset GPIO toggle in microseconds.

  • Pinmux setting changes:

    Here are the pinmux changes that need to be taken care to configure RGMII.

    • Tx
      • eqos_txc_pe0, eqos_td0_pe1, eqos_td1_pe2, eqos_td2_pe3, eqos_td3_pe4, eqos_tx_ctl_pe5

        eqos_td0_pe1 {
                nvidia,pins = "eqos_td0_pe1";
                nvidia,function = "eqos";
                nvidia,pull = <TEGRA_PIN_PULL_NONE>;
                nvidia,tristate = <TEGRA_PIN_DISABLE>;
                nvidia,enable-input = <TEGRA_PIN_DISABLE>;
        };
        
    • Rx
      • eqos_rd0_pe6, eqos_rd1_pe7, eqos_rd2_pf0, eqos_rd3_pf1, eqos_rx_ctl_pf2, eqos_rxc_pf3

        eqos_rd0_pe6 {
                nvidia,pins = "eqos_rd0_pe6";
                nvidia,function = "eqos";
                nvidia,pull = <TEGRA_PIN_PULL_UP>;
                nvidia,tristate = <TEGRA_PIN_ENABLE>;
                nvidia,enable-input = <TEGRA_PIN_ENABLE>;
        };
        
    • MDC/MDIO
      • eqos_sma_mdio_pf4, eqos_sma_mdc_pf5

        eqos_sma_mdio_pf4 {
                nvidia,pins = "eqos_sma_mdio_pf4";
                nvidia,function = "eqos";
                nvidia,pull = <TEGRA_PIN_PULL_NONE>;
                nvidia,tristate = <TEGRA_PIN_DISABLE>;
                nvidia,enable-input = <TEGRA_PIN_ENABLE>;
        };
        
         eqos_sma_mdc_pf5 {
                nvidia,pins = "eqos_sma_mdc_pf5";
                nvidia,function = "eqos";
                nvidia,pull = <TEGRA_PIN_PULL_NONE>;
                nvidia,tristate = <TEGRA_PIN_DISABLE>;
                nvidia,enable-input = <TEGRA_PIN_DISABLE>;
        };
        
    • Reset, Interrupt Pinmux settings.

      soc_gpio17_pg4 {
              nvidia,pins = "soc_gpio17_pg4";
              nvidia,function = "rsvd0";
              nvidia,pull = <TEGRA_PIN_PULL_UP>;
              nvidia,tristate = <TEGRA_PIN_ENABLE>;
              nvidia,enable-input = <TEGRA_PIN_ENABLE>;
              nvidia,lpdr = <TEGRA_PIN_DISABLE>;
      };
      
      soc_gpio18_pg5 {
              nvidia,pins = "soc_gpio18_pg5";
              nvidia,function = "rsvd0";
              nvidia,pull = <TEGRA_PIN_PULL_NONE>;
              nvidia,tristate = <TEGRA_PIN_DISABLE>;
              nvidia,enable-input = <TEGRA_PIN_DISABLE>;
              nvidia,lpdr = <TEGRA_PIN_DISABLE>;
      };
      

UPHY Lane Configuration#

Universal Physical layer (UPHY) is a physical I/O interface layer that can serve multiple types of interfaces, for example, USB and PCIe. A UPHY lane can support multiple interface types.

There are 3 UPHY instances:

  • HSIO (UPHY0)

  • NVHS (UPHY1)

  • GBE (UPHY2)

For each UPHY instance, select one of the given options:

UPHY0 (HSIO) Configuration Options

Lane

hsio-uphy-config-0

hsio-uphy-config-16

0

USB 3.2 (P0)

PCIe x1 (C0), RP

1

USB 3.2 (P1)

USB 3.2 (P1)

2

USB 3.2 (P2)

USB 3.2 (P2)

3

PCIe x1 (C1), RP

PCIe x1 (C1), RP

4

PCIe x4 (C4), RP

PCIe x4 (C4), RP

5

6

7

UPHY1 (NVHS) Configuration Options

Lane

nvhs-uphy-config-0

nvhs-uphy-config-1

0

PCIe x8 (C5), RP

PCIe x8 (C5), EP

1

2

3

4

5

6

7

UPHY2 (GBE) Configuration Options

Lane

gbe-uphy-config-22

gbe-uphy-config-0

gbe-uphy-config-1

0

PCIe x8 (C7), RP

PCIe x8 (C7), EP

1

2

3

4

MGBE (C0)

5

6

7

The configuration options from these tables are joined in the ODMDATA variable in the flash configuration. Here is an example using the first configuration option from each table. In this example MGBE is configured for 10GB operation:

ODMDATA="gbe-uphy-config-22,nvhs-uphy-config-0,hsio-uphy-config-0,gbe0-enable-10g,hsstp-lane-map-3";

By default, the Jetson AGX Orin Developer Kit supports the configuration above.

Important

You must change gbe-uphy-config from 22 to 0 or 1 if your CVB is not using MGBE. The board will not boot without this required change.

Here is a typical configuration for a board that does not use MGBE:

ODMDATA="gbe-uphy-config-0,hsstp-lane-map-3,hsio-uphy-config-16,nvhs-uphy-config-0";

The ODMDATA string is in the p3701.conf.common file in the BSP, but you can override from the top-level flash configuration file.

Also note the following information:

  • The gbe0-enable-10g flag is used to configure MGBE to 10G mode.

    When the property is not present, and the GbE0 controller is enabled, it is configured to 5G mode. If this property is specified, and the GbE0 controller is not enabled, BPMP-FW will raise a fatal error and prevent the system from starting.

  • The hsstp-lane-map-3 is for hsstp debug enablement by using dstream.

The following table shows the layout of the ODMDATA register inside the T234:

31:26

25:23

22:18

17

16

15

14

13:0

HSIO UPHY Config

HSIO UPHY Config

GBE UPHY Config

GBE3 Mode

GBE2 Mode

GBE1 Mode

GBE0 Mode

Reserved

Config Number in NVHS UPHY Lane Mapping Options

Config Number in NVHS UPHY Lane Mapping Options

Config Number in GBE UPHY Lane Mapping Options

0:5G, 1:10G

0:5G, 1:10G

0:5G, 1:10G

0:5G, 1:10G

TBD

BPMP-FW DTB /uphy/hsio-uphy-config

BPMP-FW DTB /uphy/nvhs-uphy-config

BPMP-FW DTB /uphy/gbe-uphy-config

BPMP-FW DTB /uphy/gbe3-enable-10g

BPMP-FW DTB /uphy/gbe2-enable-10g

BPMP-FW DTB /uphy/gbe1-enable-10g

BPMP-FW DTB /uphy/gbe0-enable-10g

TBD

Below is an example of how to check this register from Linux:

ubuntu@jetson:/$ sudo cat /sys/kernel/debug/bpmp/debug/uphy/config
0x00584000

Flashing the Build Image#

When flashing the build image, use your specific board name. The flashing script uses the configuration in the <board>.conf file during the flashing process.

Setting Optional Environmental Variables#

The flash.sh script updates the following environment variables based on board EEPROM and other parameters that were passed. To provide specific values to these variables, define them in the board-specific file board.conf file to override the default values.

# Optional Environment Variables:
# BCTFILE ---------------- Boot control table configuration file to be used.
# BOARDID ---------------- Pass boardid to override EEPROM value
# BOARDREV --------------- Pass board_revision to override EEPROM value
# BOARDSKU --------------- Pass board_sku to override EEPROM value
# BOOTLOADER ------------- Bootloader binary to be flashed
# BOOTPARTLIMIT ---------- GPT data limit. (== Max BCT size + PPT size)
# BOOTPARTSIZE ----------- Total eMMC HW boot partition size.
# CFGFILE ---------------- Partition table configuration file to be used.
# CMDLINE ---------------- Target cmdline. See help for more information.
# DEVSECTSIZE ------------ Device Sector size. (default = 512Byte).
# DTBFILE ---------------- Device Tree file to be used.
# EMMCSIZE --------------- Size of target device eMMC (boot0+boot1+user).
# FLASHAPP --------------- Flash application running in host machine.
# FLASHER ---------------- Flash server running in target machine.
# INITRD ----------------- Initrd image file to be flashed.
# KERNEL_IMAGE ----------- Linux kernel zImage file to be flashed.
# MTS -------------------- MTS file name such as mts_si.
# MTSPREBOOT ------------- MTS preboot file name such as mts_preboot_si.
# NFSARGS ---------------- Static Network assignments.
#                          <C-ipa>:<S-ipa>:<G-ipa>:<netmask>
# NFSROOT ---------------- NFSROOT i.e. <my IP addr>:/exported/rootfs_dir.
# ODMDATA ---------------- Odmdata to be used.
# PKCKEY ----------------- RSA key file to use to sign bootloader images.
# ROOTFSSIZE ------------- Linux RootFS size (internal emmc/nand only).
# ROOTFS_DIR ------------- Linux RootFS directory name.
# SBKKEY ----------------- SBK key file to use to encrypt bootloader images.
# SCEFILE ---------------- SCE firmware file such as camera-rtcpu-sce.img.
# SPEFILE ---------------- SPE firmware file path such as bootloader/spe.bin.
# FAB -------------------- Target board's FAB ID.
# TEGRABOOT -------------- lowerlayer bootloader such as nvtboot.bin.
# WB0BOOT ---------------- Warmboot code such as nvtbootwb0.bin

Note

The parameters must be added under the reference to the <xxx>.conf.common file to be reflected in the flashed image.

Here is an example of environment variable settings:

source "${LDK_DIR}/p3701.conf.common";

PINMUX_CONFIG="tegra234-mb1-bct-pinmux-p3701-0000.dtsi";
BPFDTB_FILE=tegra234-bpmp-3701-0000-3737-0000.dtb;
DTB_FILE=tegra234-p3701-0000-p3737-0000.dtb;
TBCDTB_FILE=tegra234-p3701-0000-p3737-0000.dtb;
EMMC_BCT=tegra234-p3701-0000-p3737-0000-TE990M-sdram.dts;

MISC_CONFIG=tegra234-mb1-bct-misc-p3701-0000.dts;

Run the following command:

$ sudo ./flash.sh <board> mmcblk0p1

For more flashing support and options, refer to Flashing Support. Users might encounter flashing/booting issues on a custom carrier board without EEPROM if the required MB2 BCT changes are not made. Refer to MB2 Configuration Changes for more information.

Note

UEFI picks the kernel Image and dtb from the rootfs path mentioned in the /boot/extlinux/extlinux.conf file. If you mentioned an image and dtb in this file, these items will be given precedence. For example, you might want to scp the file to the Jetson target path mentioned in the file. If this information is not mentioned, or file is not present, the Kernel Image or dtb will be selected from the flashed partition in emmc.

Enable the eMMC EUDA#

eMMC devices that are subjected to heavy loads might reach end of life (EOL) quite early in the deployment stage. For such aggressive buffering, we recommend that you enable an enhanced user data area (EUDA) on the area in the device that is configured as a Single-level cell (SLC). EUDA can be enabled using the open source mmc_utils tool with the following command: mmc enh_area set -y <start KiB> <length KiB> /dev/mmcblk0

  • Example:

    mmc enh_area set -y 0 7364608 /dev/mmcblk0

  • Expected output:

    sudo mmc enh_area set -y 0 7364608 /dev/mmcblk0

  • EUDA Size [ENH_SIZE_MULT]: 0x000383 (for example, 7364608 KiB)

  • Max Enhanced Area Size [MAX_ENH_SIZE_MULT]: 0x000383nn (for example, 7364608 KiB)

To enable the EUDA feature:

  1. Set the ENH_USR area on /dev/mmcblk0.

  2. Set OTP PARTITION_SETTING_COMPLETED.

  3. Set OTP PARTITION_SETTING_COMPLETED on /dev/mmcblk0.

  4. Power cycle the device power cycle for the changes to take effect.

  5. After the power cycle, confirm that PARTITION_SETTING_COMPLETED is set by using extcsd read.

Note

  • Enabling EUDA reduces the overall disk size, but it is an irreversible operation.

    Reach out to the corresponding eMMC vendor before you enable EUDA. EUDA should be enabled only based on the instructions provided by the eMMC vendor.

  • After EUDA is enabled, you cannot reflash the device because the partition table needs to be modified to work with new eMMC capacity.

EMMC Lifecycle and Data Retention/Refresh#

This section provides information about the EMMC lifecycle and data retention and refresh.

Device Health/End Of Life#

With the JetPack release, the customer can use the open-source mmc_utils tool to read relevant fields in the EXT_CSD register and estimate the device health/EOL. The user can also dump the following debugfs nodes to monitor the device health:

/sys/kernel/debug/mmc0/mmc0\:0001/dhs_type_a
/sys/kernel/debug/mmc0/mmc0\:0001/dhs_type_b
/sys/kernel/debug/mmc0/mmc0\:0001/eol_status

Retention/Refresh#

eMMCs (SSD devices) usually handle refresh internally as long as they are powered on and have requests/transfers to them. If the device is powered off for six months or more without any activity, the data might be lost or corrupted.

If the datasheet for the part includes vendor-specific commands to refresh the device, the user can use the standard ioctl interface, which is similar to open source mmc_utils, to send required commands to the device.